102-10-182
Can't find what you're looking for? Go to the Product Selector
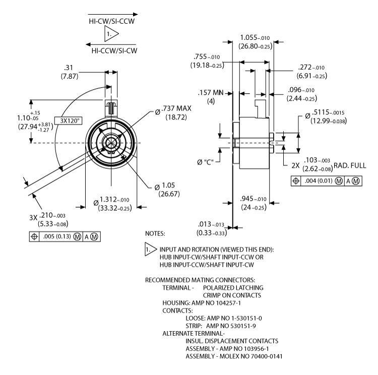
Clutch, DL-33HICW/SICCW24DC-HDR6MMB PIN DR, 扭簧, DuraLIFE™ Clutch, DuraLIFE™,扭簧离合器-33, 悬空引线, 轮毂输入 CW / 轴输入 CCW Rotation, 轮毂输入/轴输入, 6.01 / 6.09 毫米 Bore, 24 Vdc, 30 in-lbs 静态力矩, Molded Connector
- DuraLIFE系列离合器(DL)是机电式扭簧离合器,它结合了高扭矩、高可靠性和高加速度的特性,并将其集成为一个小型组件,成本极具竞争力。该组件有两种配置可选:接线柱式或飞脚式。
- 扭簧技术能够实现非常快的负载响应,速度最高可小于3毫秒(在弹簧收缩后,取决于RPM)
- DL-33是办公自动化应用(如打印机和复印机)中使用的高成本离合器的即插即用型替代方案。
- 长使用寿命和可靠性能使得DL-33成为许多包装和汽车应用的理想离合器。
- RoHS认证
