2DB12-200118
Can't find what you're looking for? Go to the Product Selector
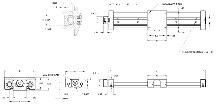
2DB12QJN0240-300N001A0A00, 直线运动单元, 2DB, 滚珠丝杆 Drive, 滚珠 Guide, 0.0002 英寸 Repeatability, 预加载, 14.98 英寸 Stroke, 单个标准滑块, 0.500 英寸 Travel Per Shaft Rev, Inline, 0.635 m/s Maximum Linear Speed
- 集成式双导轨连接轴,适合所有方向的负载
- 低断面高度
- Super Smart衬套轴承具有低摩擦系数,可实现平稳运动
- 易于安装
- 可选耐腐蚀选项
- 内部滚珠丝杠组件
