HD24B045-0450EXX3EEM
Can't find what you're looking for? Go to the Product Selector
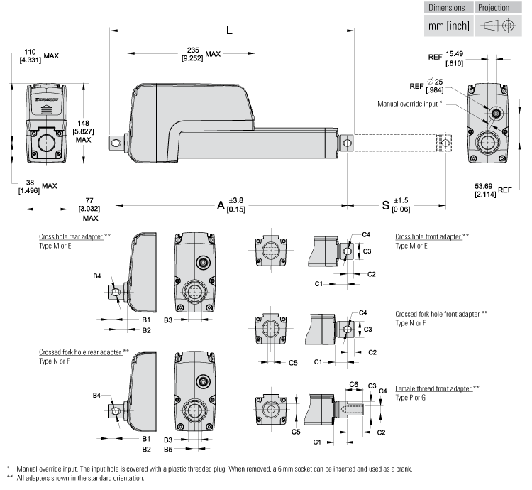
执行器, Electrak HD, 24 直流电压伏特, 4500 N, 450 毫米, 仅采用电子监控包, Cable length 5000 毫米, Flying Leads, 两个接头均处于90°位置, 19 毫米每秒 移动速度 @ 满载
- Electrak® HD – 性能卓越的直线推杆,具有更高的功率、更长的行程,可选J1939 CAN总线的板载控制器,以及无以伦比的环境保护
- 顶级板载控制器,反馈,J1939 CAN总线,且无需独立控制器。
- 无以伦比的环境保护。额定IP69K(静态),IP67(静态)和IP66(动态)的防护等级保证Electrak HD可承受最严苛的环境。
- 经过200小时盐雾试验。
- CE、RoHS和REACH(EU)认证。
- 集成手动超控。
- 标准防旋转驱动。
- 集成热过载保护。
- 25%占空比@ 25摄氏度
