SSUPBO20-XS

SSUPBO20-XS
SSUPBO20-XS

直线轴承, 轴承座, 超智能, 1.25 英寸, 开口型, 自调心, 可调节, 氧化发黑; 配合使用 1.25 英寸 直径 L级 连续支撑应用中的轴


  • 用于连续支撑轴的开口型轴承座
  • 用于L级导向轴
  • 每个轴承座中都有出厂安装的滚珠衬套轴承
  • 黑色阳极氧化铝合金(无图片)

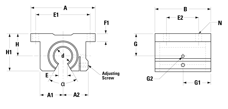
Dimensions

dimensions
尺寸价值
[A]4 英寸
[A1]1.5 英寸
[A2]1.63 英寸
[Alpha]30 °
[B]3.38 英寸
[d] 轴,标称直径1.25 英寸
[E]0.62 英寸
[E1]3.5 英寸
[E1] 公差± 0.010 in 
[E2]2 英寸
[E2] 公差± 0.010 in 
[F1]0.44 英寸
[G]1.15 英寸
[G1]1.83 英寸
[G2] 润滑接口1/4-28 
[H]1.5 英寸
[H] 公差± 0.003 in 
[H1]2.56 英寸
[N]0.22 in 

Specifications

Specifications价值
Number of Ball Circuits
Temperature Max185 °F
Weight2.2 lb
材质铝合金;塑料;橡胶 
单/双单 
封闭/开放/可调节开口型 
黑色阳极氧化氧化发黑 
可调节(不可调节 = 空白)可调节 
用于轴系L级 
自对准自调心 

Performance

performance graphic
performance graphic
performance graphic
Performance价值
负载能力,动态2350 磅力

Get Quote

*Please fill out the information below so we can best assist you: