WH08Z200-01150-01970AZ-0300
Can't find what you're looking for? Go to the Product Selector
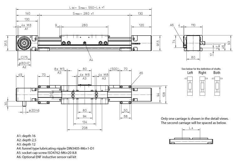
直线运动单元, WH80, 皮带 Drive, 滚轮 Guide, 0.05 毫米 Repeatability, 1150 毫米 Stroke, 1970 毫米 Overall Length, 双标准滑块, 300 毫米 between carriages, 200 毫米 Travel Per Shaft Rev, Shaft On Left Side Without Keyway, 10000 Maximum Linear Speed
- 取代
- 速度最高10 m/s
- Belt Driven
- 带驱动
