101-6-0095
Can't find what you're looking for? Go to the Product Selector
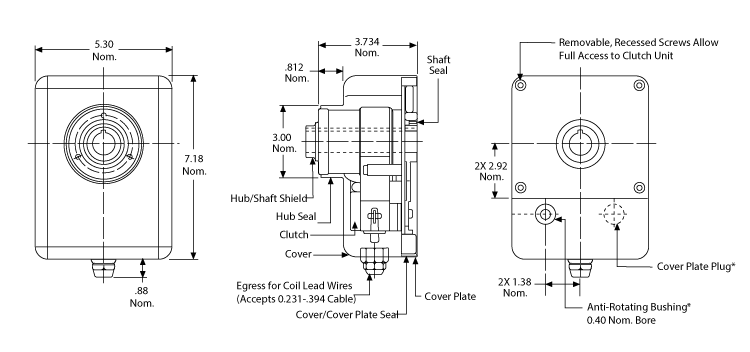
离合器制动器, Dust Cover, Aluminum, CB-6 (Standard) or SAC-6
- 环保设计铸铝外壳可保护CB-6、Super CB-6或者SAC-6离合器不受室内和室外危害影响,例如掉落的污垢、非腐蚀性液体、粉尘、雨水、雨夹雪和雪。
- 坚固的铸铝结构
- 提供NEMA 3和12防护等级
- 可随时安装
- 更安静的离合器运行
- USDA认证黑色粉末涂层油漆表面
- 一个包括封闭离合器所需全部部件和硬件的套装。
