102-10-133
Can't find what you're looking for? Go to the Product Selector
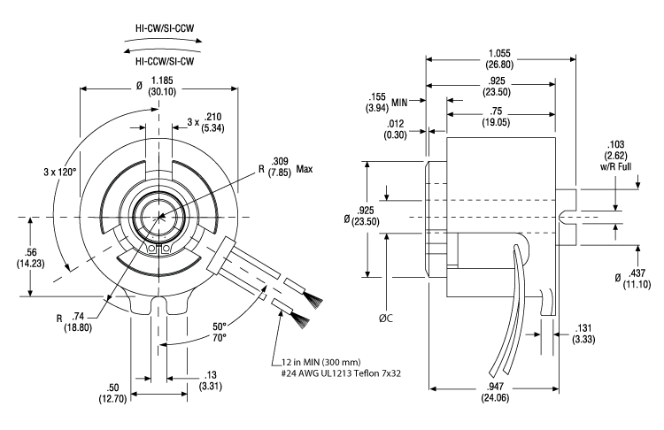
Clutch, MAC30HICW/SICCW24DC.25B, 扭簧, High Performance Clutch, MAC-30, 轮毂输入 CW / 轴输入 CCW Rotation, 轮毂输入/轴输入, 0.2505 / 0.2530 英寸 Bore, 24 Vdc, 25 in-lbs 静态力矩
- 响应时间,全速通电时:最大50ms,标称20ms
- 超出行业寿命要求,只有很小的循环变动
- 密闭结构可有效消除污染
- 电气驱动的简单控制界面
- 带内置润滑脂的增强聚醚酰亚胺
- 轮毂输入或者轴输入
- 脱开时输出飞轮
- RoHS认证
