1BA24AH0L
Can't find what you're looking for? Go to the Product Selector
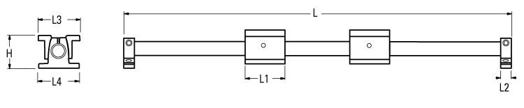
直线导轨, 1BA, Round Shaft, End supported, Low Support, ASB, 2 Pillow Blocks, 1.500 英寸, One Guide Shaft, 6160 磅力 Dynamic Load Capacity
- 末端支撑导向轴组件(英制)组成:
- 两个单轴承座,闭合型,英制
- 2个ASB轴支撑
- 一个60 Case®导向轴
