411H35G1
Can't find what you're looking for? Go to the Product Selector
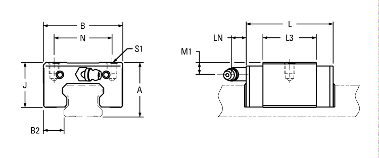
方形导轨, 400 Series 滚珠 滑块, 尺寸: 35 毫米, 高精密 牌号, G 类型, 1 - 约 0.03 C 预加载, 合金钢
- 400系列是一种高性价比的传输级方形导轨解决方案,适合于对价位比较敏感的应用,并针对工业标准包装和穿孔导轨元件的更换采用了即插即用型设计。带保护套和不带护套的滑架采用相同的轨道设计,只需同一类型的导轨即可匹配多种类型的滑架,因而可以有效提升库存效率。
- 聚酯纤维滚珠退回管道可降低噪音和振动,同时保持润滑
- 413滚珠保持架选项提供了更好的运动平稳性,高速下更低的噪音水平,以及单独的润滑器。
- 双面滚珠滚道可采用45°面对面轴承配置,使得所有方向上的承载能力相同。
