511P25A3
Can't find what you're looking for? Go to the Product Selector
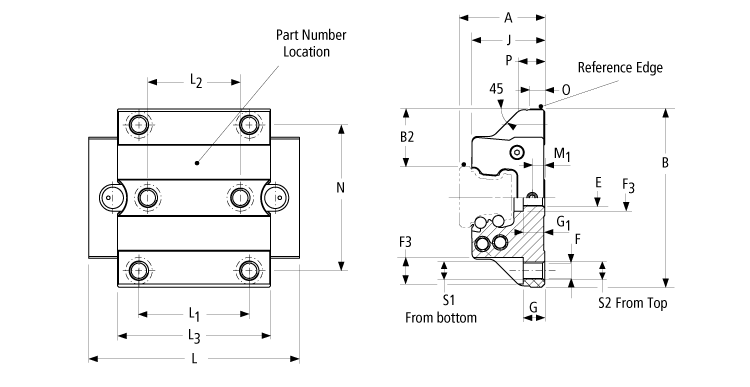
方形导轨, 500 Series 滚珠 滑块, 尺寸: 25 毫米, 精密 牌号, A 类型, 3 - 约 0.13 C 预加载, 钢
- Smooth, quiet movement through patented insert molded recirculation paths and optimized geometries.
- Simple installation and greater accuracy with joint-free rails up to 6 meters.
- 最长可达6米的无关节导轨具有简单安装和更高精度
- 通过专利插件循环滚道和优化尺寸实现平稳、安静的运动。
