512P45C1NZ
没有找到想要的产品?请使用产品选择工具
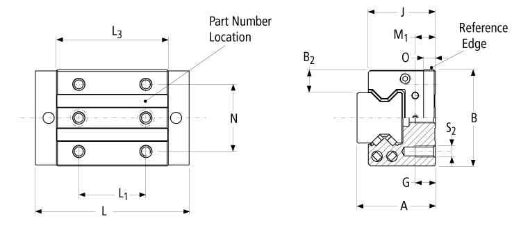
500系列滚柱滑架, 45mm, 窄型, 精密, 约0.03 C, Preload, 金属刮刷器, 附加储油器,
*大数量订单的交货期可能延长。所示交货期为工作日。
- 较高的的负载能力
- 采用高刚性四背滚柱轨道设计
- 采用先进磨削技术的直轨
- 安装简单,精度更高,且无缝导轨可达6米
- 通过嵌入式模压循环轨道和优化的几何结构实现平滑安静的运动
- 循环导轨内置袋装润滑脂,润滑寿命延长
- 有多种滑架型号和规格可选
- 现场可改的模块化密封件
- 导轨和滑架选件库存充足,发货快
- 提供定制化扩展配件
- 可代替Thomson的Accumax系列产品
