775-20-005
Can't find what you're looking for? Go to the Product Selector
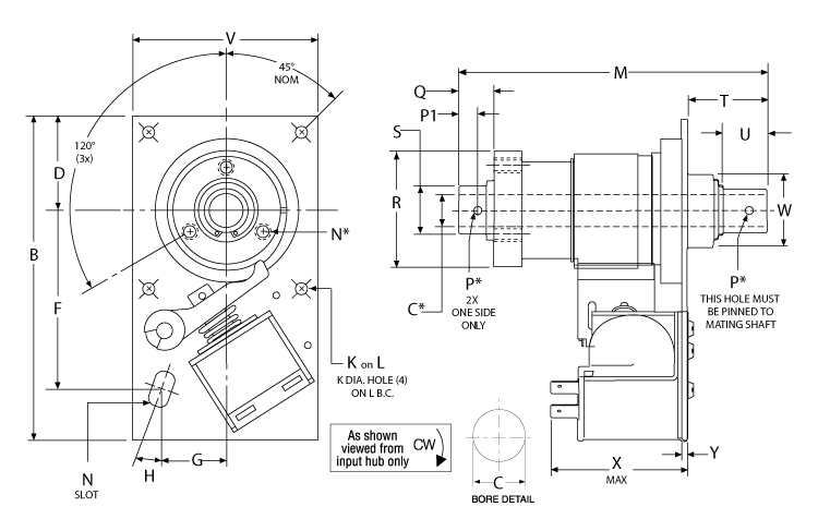
Clutch, SAC5CCW115AC.50B1ST, 扭簧, Solenoid Actuated Clutch, 螺线管驱动,扭簧离合器-5, CCW Rotation, 轮毂输入, 0.5005 / 0.5025 英寸 Bore, 1 Stop, 115 Vac, 250 in-lbs 静态力矩
- SAC系列有4个预装配、电磁驱动、扭簧离合器套装,可在单相交流或直流脉冲下精确地开始负载运行,转速最高可达1800 RPM(取决于尺寸)。可调节停止控制止动环提供简单和精确的输出停止位置设定。典型的SAC系列离合器可在3毫秒内完成负载加速。它们与PC以及工业控制系统的连接也非常简单。SAC系列离合器是准确、可重复、反应快速、简单且无需维护的低成本产品。
- 电磁驱动,扭簧离合器套件
- RoHS认证
