7833286
Can't find what you're looking for? Go to the Product Selector
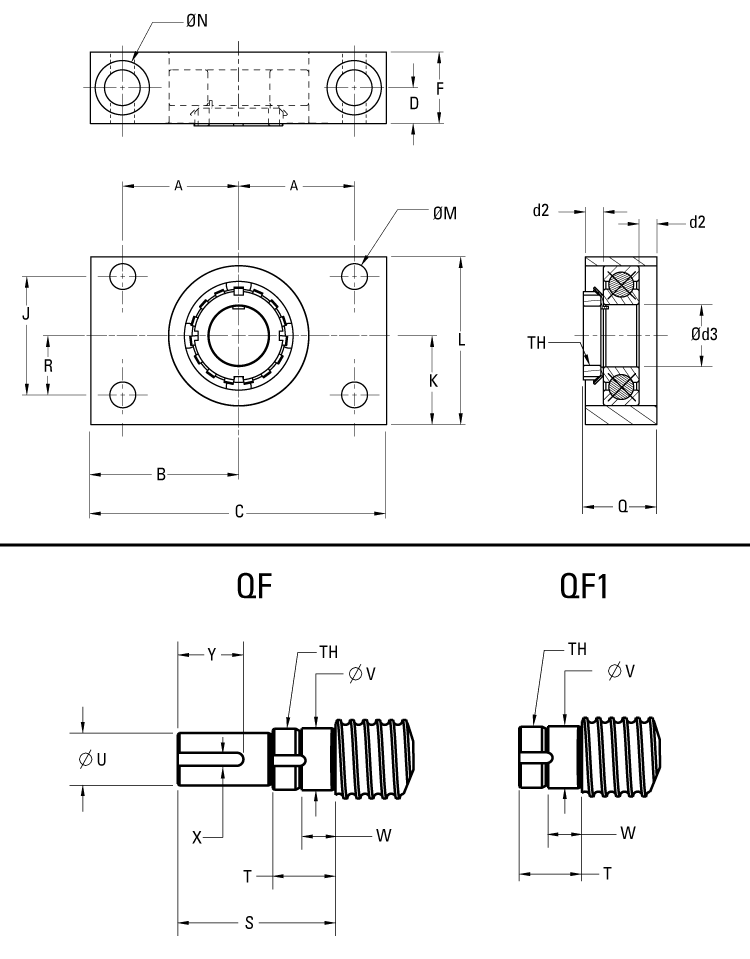
QF 30, 支座, 简易, Base or Flange Mount, QF 样式, 30 毫米 Inside Diameter; 配合使用 40 mm 滚珠丝杠
- QF轴承支座提供一个深沟径向球轴承。
- 设计尺寸符合标准QF或者QF1型末端加工。(丝杠必须进行加工以匹配轴承座)。
- 坚固的钢制结构
- 底座或者端面安装配置
- 分类为“简单”,用于关键速度和支柱强度计算。
