7833393

7833393
7833393

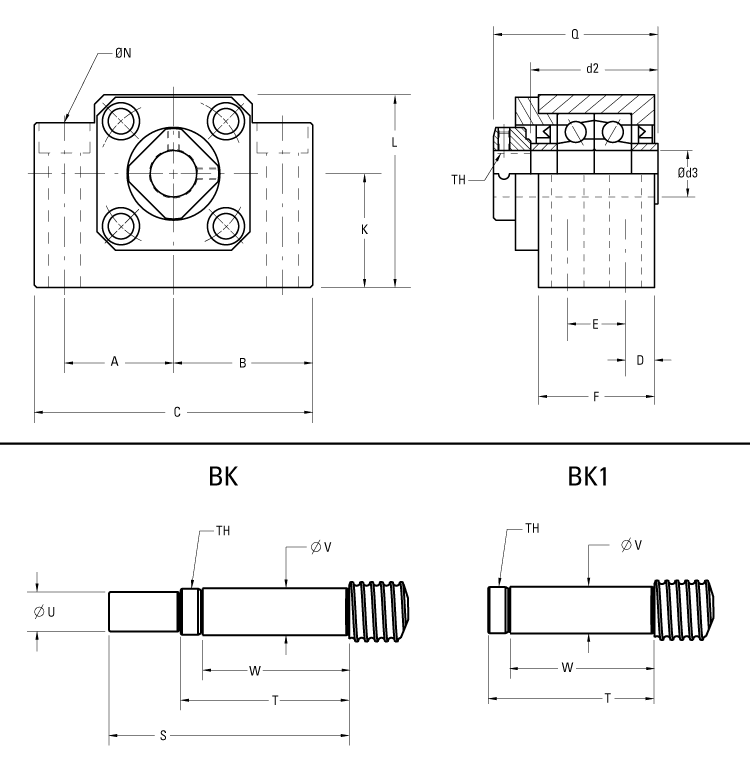
BK, FIXED SUPPORT,20MM ALL (SUPERSEDED BY 7833362), 取代


  • 取代
  • 丝杠必须进行加工以匹配轴承座。
  • 坚固的钢制结构
  • 底座安装配置

Dimensions

dimensions
尺寸价值
[A]27 毫米
[B]35 毫米
[C]70 毫米
[D]6 毫米
[d2]30 毫米
[d3] Bearing Journal Diameter, Recommended15 毫米
[E]15 毫米
[F]27 毫米
[K]28 毫米
[L]48 毫米
[N]4x 6.6 Thru, 11.0 C-Bore x 6.5 Dp 
[Q]38 毫米
[S]60 毫米
[T]40 毫米
[TH]M15x1 
[U]12 mm 
[V]14.995/14.986 mm 
[W]28 毫米

Specifications

Specifications价值
Bearing Trade Number7002 
RetainerRN15 
Temperature Max300 °F
Use With Screw, Nominal Diameter20 mm 
Weight0.6 kg
预加载方式固定 

Performance

Performance价值
Load, Dynamic (Bearing Rating)529 磅力
Load, Static (Bearing Rating)1543 磅力

Get Quote

*Please fill out the information below so we can best assist you: