901-50-007
Can't find what you're looking for? Go to the Product Selector
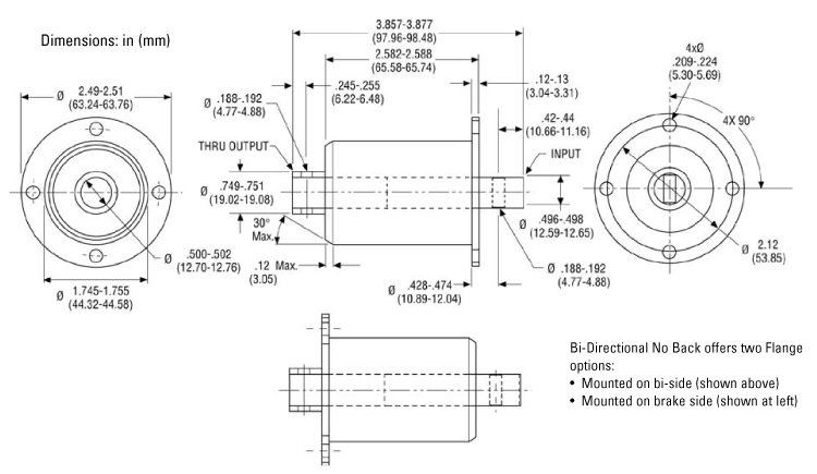
Clutch/Brake, BDNB 250 IN LBS BRAKE-SIDE FLANGE, 扭簧, Bi-Directional No-Back Clutch, 双向无背隙离合器-65, 轴输入, 0.500 / 0.502 英寸 Bore, Mechanical Only, 250 in-lbs 静态力矩
- 双向逆止离合器以低成本提供了卓越的功能组合。该装置的基本功能可以轻松适应需要通过旋转驱动能力实现自动位置保持的广泛应用。
- 仅在扭矩施加到输入轴上时,才可旋转BDNB。输入轴可沿任意方向驱动,扭矩直接传递至输出轴。
- 当输入端无力矩时,输出轴被“锁定”,两个方向均无法旋转。施加在输出轴上的任何力矩都会被直接传递给离合器,不会影响输入。
