D535073
Can't find what you're looking for? Go to the Product Selector
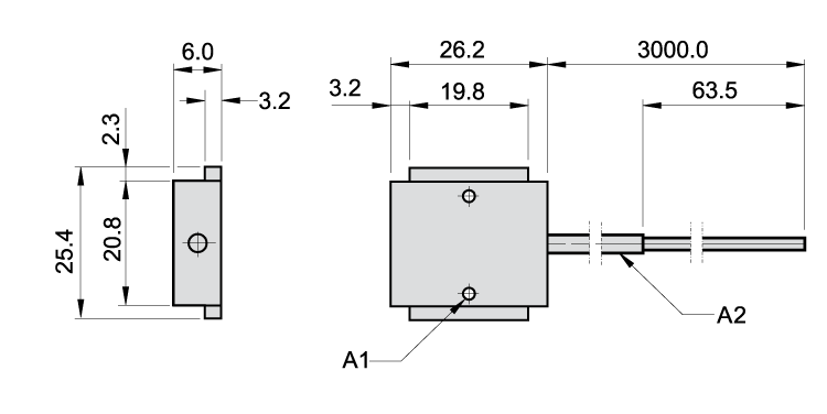
直线运动单元, SENSOR N.O./N.C. MAK-9913-Y-3
- The sensor is fixed in position by two M3 size locking screws (A1). The cable (A2) is molded into the sensor.
- The magnetic sensor fits in to the T-slot running along three sides of the cover tube on an Electrak LA14, LA24 or FA14. On M50 Linear Units the magnetic sensors are mounted directly in the sensor slot of the profiles of the units and require no mounting bracket while Z2 and Z3 require magnetic sensor mounting brackets.
- The cable is molded into the switch.
- Maximum power 10 W, Maximum Volrage 43 Vdc, Maximum Current 0.5 A, Maximum Contact Resistance 0.2 Ohms, Cable Length 3000 mm
- Lead Cross section 3 x 0.14 mm2
- The normally closed sensors can be used with AC-063 controls that have limit switch inputs.
