ET12-084-SSCN2S
Can't find what you're looking for? Go to the Product Selector
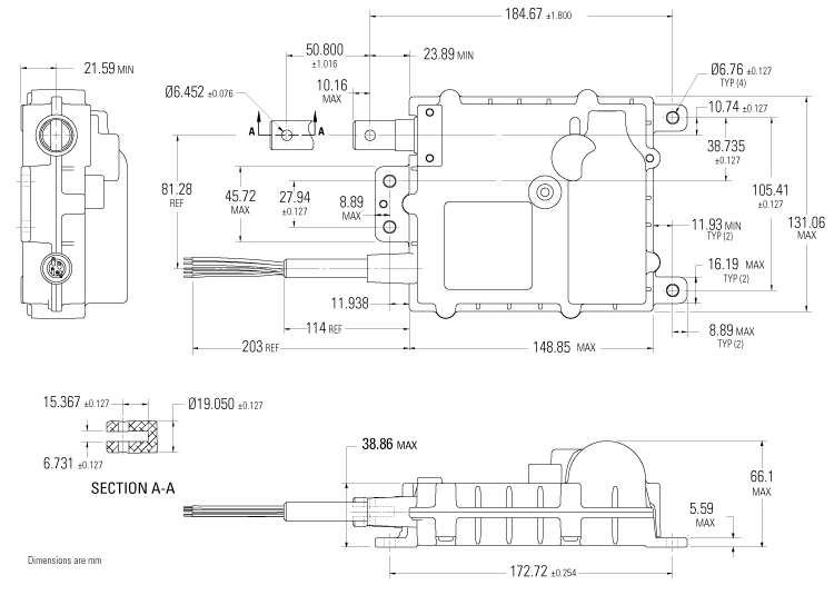
执行器, Electrak Throttle, 12 直流电压伏特, 10 磅力, 2 英寸, SAE J1939 CAN总线, Cable length 200 毫米, Connector, 两个接头均处于0° 位置(标准), 3.3 英寸每秒 移动速度 @ 满载
- 设计用于工业应用
- 坚固可靠的铝合金外壳,IP69K/IP67密封防护
- 耐腐蚀的电镀外壳
- 最低维护
- 集成电子选项
- 以低成本提供高端功能
- 集成安装孔
