MAM12OPNWWSS
Can't find what you're looking for? Go to the Product Selector
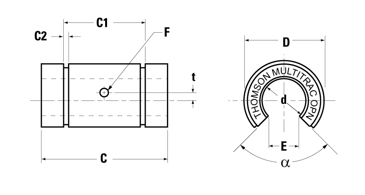
直线轴承, 仅滚珠衬套, MultiTrac, 12 毫米, 开口型, 非自调心, 可调节, 不锈钢, 两端均集成刮尘片; 配合使用 12 毫米 直径 连续支撑应用中的轴
- 极其坚固的MultiTrac滚珠衬套可减小变形,且其负载能力和运行寿命分别是传统滚珠衬套轴承的2倍和8倍。
- 轴承获专利的滚珠控制技术消除了高摩擦滑动轴承常见的粘合和振颤(爬行)问题。
- 摩擦系数低至0.001。当更换高摩擦系数的滑动轴承时,精密钢滚珠衬套轴承可显著提高机器生产率和效率。
- 用于公制导向轴
