MBRP-26B24-M10-MR
Can't find what you're looking for? Go to the Product Selector
Brake, 摩擦, Metric Power off Brake, MBRP系列-26, 65 毫米 Outside Diameter, 10 毫米 Bore, 24 Vdc, 2.00 Nm 静态力矩, Manual Release
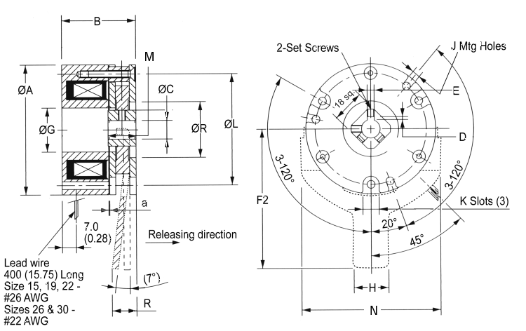
- MBRP系列是断电、直流、弹簧组制动器,是适合众多应用的低成本、多功能替代解决方案。该系列有15、19、22、26和30共5种机架尺寸,且拥有卓越的扭矩尺寸比。此外,作为通用产品系列,还提供许多额外功能。
- 转子组件上的专用摩擦材料可大幅度提升最大制动性能并延长使用寿命。
- 制动器可以方便地安装在电机或者机架上。简单的方形驱动轮毂可通过提供的固定螺钉和键槽安装到轴上。
- 全密封线圈满足“F”级绝缘的最低要求。
- UL认证部件
- 具有防振功能的方形驱动轮毂可实现安静运行。
- RoHS认证
- 手动松开手柄提供了断电情况下释放制动器的超越控制
