MCS-26U24-M12

MCS-26U24-M12
MCS-26U24-M12

Clutch, 摩擦, Metric Shaft Mounted Clutch, MCS系列-26, 67.5 毫米 Outside Diameter, 12 毫米 Bore, 24 Vdc, 5.5 Nm 静态力矩


  • 这些装置适用于小批量、大批量和高批量应用。
  • 零侧隙设计
  • 静态或动态啮合
  • 安装简单
  • 高效节能
  • 经济成本
  • 可用“现状”或定制
  • RoHS认证

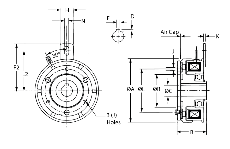
Dimensions

dimensions
尺寸价值
[A]67.5 毫米
[B]31 毫米
[C] Hub ID Ø, Min/Max12 毫米 
[D] 最大值1.5 mm 
[E] 最大值4 mm 
[F2]50 毫米
[H]14 毫米
[J]3.1 毫米
[J] 数量
[K]2 毫米
[L]46 毫米
[L2]42.5 毫米
[N]4.5 mm 
[R]34.5 毫米

Specifications

Specifications价值
(CB) [A] ODStarting 
(CB) [A] ODClutch 
(CB) [A] OD26 
Voltage24 Vdc 
Weight0.5 kg
材质钢  

Performance

Performance价值
静态力矩5.5 Nm

Get Quote

*Please fill out the information below so we can best assist you: