MLSM06D020-00250-00855AL0000-6
Can't find what you're looking for? Go to the Product Selector
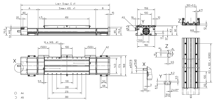
直线运动单元, MLSM60D, 滚珠丝杆 Drive, 滚珠 Guide, 0.01 毫米 Repeatability, 双螺母预加载, 250 毫米 Stroke, 855 毫米 Overall Length, 单长滑块, 20 毫米 Travel Per Shaft Rev, Shaft On Left Side Without Keyway, 1000 Maximum Linear Speed
- 取代
- 专利导轨系统
- 专利塑料带盖
- 专列丝杠支撑系统
