您想定期收到汤姆森电子邮件更新,包括应用故事,在线培训的机会,新产品信息和链接在线设计工具。
Thomson精密梯形丝杠是满足您直线运行需求的最经济、最优异的解决方案。开发 和制造业内最高品质的梯形丝杠已经有超过40年的历史。
BSA梯形丝杆
电动梯形丝杠
滑动丝杠™
微型公制滚珠丝杠
Electrak HD直线推杆
填写信息免费获得280页PDF提交后下载!
从轻载050s到高性能的能够搬运1000磅最高负载的Electrak Pro系列产品,再到久 经验证的T系列高精度直线执行器(电动缸),Thomson提供给您别处无法获得的执 行器产品。
Max Jac® 线性传动装置
WhisperTrak™ 直线执行器
汤姆森公司将各品牌最有竞争力的产品整合起来,实现优势互补,从而形成了目前最 先进、最全面的产品门类。
WM/MLSM 直线单元
M/WH 直线单元
Thomson目前有两个帐户系统:一个用于网站和CAD模型下载,另一个用于电子商务。我们深知两次登录会带来不便,因此正在努力整合系统。但在此之前,请遵守下列指南:
下载CAD模型 在LinearMotioneering®和MicronMotioneering®工具中保存和检索项目 访问Distributor Extranet(分销商外部网)和所有相关资源 访问全新的直线导轨资源页面 步进电机直线执行器的防旋转实施指南 即时3D报价工具
直接从Thomson在线订购(仅限北美)
授权的Thomson分销商可以在线查看报价和订购(全球)查看购物车并查找先前的直接订单
邮件我们
致电我们
没有找到想要的产品?请使用产品选择工具
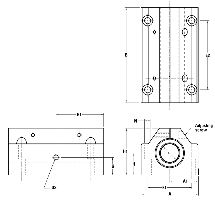
SUPER Metric, 滚珠衬套轴承双轴承座, 25 mm, Self-Aligning, Adjustable, 用于末端支撑应用的闭合型, Not Corrosion Resistant, 无刮刷器
**不含运输、包装、进口关税及附加费等相关成本。
我们为渠道合作伙伴和OEM厂商提供定制化产品报价。如需相关服务,请填写以下表格,我们会尽快回复您!
*Please fill out the information below so we can best assist you:
如需下载下列模型,请先登录。
登录