TWN10-BG
Can't find what you're looking for? Go to the Product Selector
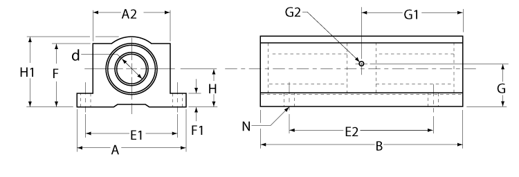
直线轴承, 轴承座, 超级, 0.625 英寸, 闭合型, 双, 自调心, Ball Groove; 配合使用 0.625 英寸 直径 G级 端部支撑应用中的轴
- 用于末端支撑轴的封闭轴承座。
- 用于G级导向轴
- 每个轴承座中都有出厂安装的滚珠衬套轴承
- Super Ball Bushing bearing pillow blocks are provided with integral, double acting seals unless otherwise specified
