WHZ08Z200-00225-00635-MN0000-9
Can't find what you're looking for? Go to the Product Selector
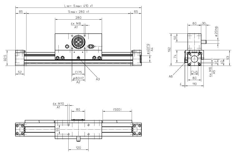
直线运动单元, WHZ80, Belt, Moving Profile Drive, 滚轮 Guide, 0.05 毫米 Repeatability, 225 毫米 Stroke, 635 毫米 Overall Length, 单个标准滑块, 200 毫米 Travel Per Shaft Rev, Shaft On Both Sides With Keyway, 1480 N, 10000 Maximum Linear Speed
- 取代
- 带驱动
- 外部导向轮
- 速度最高10 m/s
