XCF6X1
Can't find what you're looking for? Go to the Product Selector
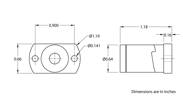
仅丝杠螺母, XC 样式, Advanced, Flanged Mount, 6 毫米 X 1 毫米, 无背隙, RH, 乙缩醛, 10 磅力 设计负载
- XC型消隙组件采用最先进的消隙螺母设计。获专利的独有ActiveCAM™可实现高轴向刚度、零侧隙和绝对最小的阻力矩。该优势可创造出成本更低、性能更好、使用寿命更长的组件。
- ActiveCAM™自动根据磨损情况调整,确保螺母使用寿命中的零侧隙。
- 复合螺母材料具有卓越的可润滑性和低磨损
- 可选用定制设计服务和快速原型
