206-20-071
Can't find what you're looking for? Go to the Product Selector
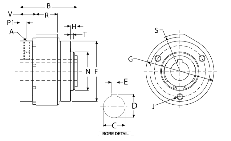
Clutch, PSI6SHICCW.625B24ST, 扭簧, Mechanically Actuated Clutch, 机械驱动,扭簧离合器-6, 单圈, CCW Rotation, 轮毂输入, 0.625 英寸 Bore, 24 Stop, Mechanical Only, 500 in-lbs 静态力矩
- PSI系列离合器代表了最基本的扭簧式离合器设计。作为启停或单旋转离合器,PSI系列离合器可由外部模块或者释放止动环简单地驱动。作为简单的超越离合器,PSI系列提供与电源同向的负载正向挂接,但是当输入电源降低、停止或反向时,允许自由过速转动。
- 所有装置都提供轮毂输入/轴输出或者相反。PSI系列离合器设计用于需要直接机械控制的应用,性能可靠、简单易用、成本低。
- RoHS认证
- 机械驱动离合器
- 自润滑,免维护
