42-114-339
Can't find what you're looking for? Go to the Product Selector
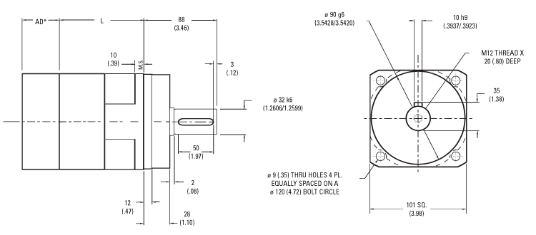
UT010-016-0, STANDARD COMPONENTS, 减速机, True Planetary行星齿轮减速机, UltraTRUE, 尺寸 10, 16:1 传动比, 5 弧-分 侧隙, Helical Crowned, 直连 不锈钢输出轴,阳极电镀铝合金外壳
- UltraTRUE True Planetary®减速机将螺旋鼓齿式齿轮的优点与True Planetary的特点相结合,是当今市场上运行最平稳、最安静的减速机。 UltraTRUE有多种减速比型号的常备存货,可通过Thomson Micron Gearhead Express程序即刻发货。
- RediMount™系统提供无错电机安装。
- 螺旋冠状HRC 55-60钢齿轮提供了更高的负载能力和更平稳的运行。
- 圆锥滚子轴承提供高轴向和径向承载能力。
