65-120452-G573
Can't find what you're looking for? Go to the Product Selector
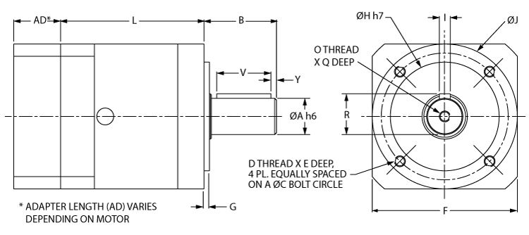
XT060-010-0-RM060-1, 减速机, True Planetary行星齿轮减速机, XTRUE, 尺寸 60, 10:1 传动比, 13 弧-分 侧隙, Spur gearing, 直连 不锈钢输出轴,阳极电镀铝合金外壳
- XTRUE系列是新型精确减速机,承载能力更高,使用了灵活的安装系统与简单的即插即用型更换方式,并且符合欧盟指令2002/95/EC(RoHS),是一种功能强大、高性价比的高效解决方案。
- 灵活的安装系统:RediMount™系统只需3个简单步骤即可安装在任意电机中:对准、安装和拧紧。
- True planetary减速机可提高负载能力、降低侧隙和运行噪音。
- 锥形面输出接口。
