NT42-020
Can't find what you're looking for? Go to the Product Selector
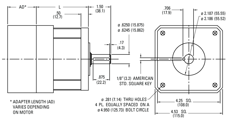
减速机, True Planetary行星齿轮减速机, NemaTRUE, 尺寸 42, 20:1 传动比, 15 弧-分 侧隙, Spur gearing, 直连 不锈钢输出轴,阳极电镀铝合金外壳
- 除了标准的NEMA机架尺寸外,NemaTRUE现在还有三种新的公制尺寸可供选择(60、90和115mm),而且还使用Thomson创新的Micron® RediMount系统进行了升级。NemaTRUE有多种减速比型号的常备存货,可通过Micron Gearhead Express程序即刻发货。
- RediMount™系统提供无错电机安装。
- 密封深孔球轴承提供高径向承载能力。
- HRC 55-60刚齿轮提供了卓越的耐磨性和更高的侧隙完整性。
- Adapter length (AD) may vary depending on motor.
